SuPulse除尘用脉冲高压电源
在电除尘行业,脉冲供电方式被公认为是提高除尘效率和降低运行能耗最有效的技术。脉冲高压电源通常采用基础直流高压叠加脉冲高压的形式对电除尘器供电。
SuPulse型除尘用脉冲高压电源,2017年7月通过了由郝吉明院士主持的中国环境保护产业协会的技术成果鉴定,鉴定会结论为:在同类产品中达到国际先进水平,部分技术指标国际领先。

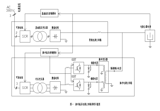
SuPulse型脉冲电源的典型原理框图如上;其工作原理:三相交流电升压整流成直流中压,由储能电容、脉冲变压器、电除尘器负载电容组成串联谐振电路,功率开关IGBT控制高压谐振脉冲的输出,通过耦合电容输出至电除尘器电场,叠加基础直流高压后,电场运行的最高峰值达140kv。
图二为脉冲高压电源工作时电压电流波形图,图中绿色波形为电压波形,红色波形为电流波形,图示脉冲电压宽度≤80μs。
图二为脉冲高压电源运行时输出到除尘器电场的电源电流波形图,图中绿色波形为电压波形,红色波形为电流波形,图示基础直流电压约40kv,脉冲峰值电压约70kv,电场中最高电压约110kv。

图二 脉冲高压电源运行电压电流波形图

图三 除尘器电场中二次电压电流波形图。
典型技术参数:
脉冲宽度约65-100μs(额定负载115nf)
脉冲重复频率2 -200 pps,
基础直流电压40-60kV,
脉冲峰值电压60-80 kV
SuPulse型脉冲电源特点
1、 可以任意选配常规单相高压电源、三相高压电源、高频高压电源作为基础直流高压单元,进行叠加运行;
2、 在高压脉冲叠加的作用下,二次电压峰值可达140kv;
3、 显著提高二次电压的峰值同时保持较低平均直流电流,抑制反电晕发生,改善了粉尘尤其是细微粉尘的荷电效率,大幅度提高除尘效率,高比电阻粉尘烟气工况下可降低粉尘排放30%以上;
4、 高效节能,脉冲升压时大部分电能回送到贮能电容回收,供下一个脉冲使用;与直流供电相比,脉冲电源运行能耗降低30%-70%;
5、 电场的平均电压电流和峰值电压电流单独可调,具备完善的自动控功功能,脉冲电源与上位机构成智能控制系统,实现远程监控管理;
6、 绿色电源,对电网影响小,无缺相损耗,无电网污染;
